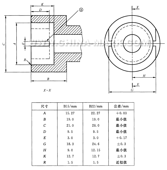
根据GB16844图3,IEC60968Fig3等标准制作而成,用于装有螺口灯头的灯作扭矩试验用灯座的量规检测。
抗扭矩
在进行下述扭矩试验时,灯头应与灯体或灯上用来旋进或旋出的部件牢固地连结:
B22d--------------3N·m
B15d--------------1.15N·m
试验采用图中所示的试验灯座。
扭力不应突然施加,而应逐渐从零增加到规定值。
对于不采用粘结方式固定的灯头,可允许在灯头与灯体之间有相对位移,但应不超过10°。机械强度试验之后,样品应符合接触性的要求。

注意
本店所有价格都是未税不含计量的价格,如需开票与计量证书,请联系客服人员修改价格。产品计量时间为一星期。本店承诺带计量证书十天内发货。
深圳市聚利兴仪器有限公司主营产品主要有以下几类:
1. 燃烧试验检测设备:水平垂直燃烧试验仪、针焰试验仪、漏电起痕试验仪、灼热线丝试验仪、单根电线电缆垂直燃烧试验仪;
2. 电器防护及可靠性检测产品:弹簧冲击锤、球压试验仪、标准试验指针销、试验弯指、UL试验指、试验指甲、试验直指、试验棒、探针、稳定性试验台、拉力试验机、滚桶跌落试验机、插拔力试验机、开关按键寿命试验机等;
3. 电气安规测试器:耐压测试仪、接地电阻测试仪、绝缘电阻测试仪、泄漏电流测试仪、LCR数字电桥、示波器、插头插座量规、灯头灯座量规及其它各类量规;
4. 各类非标检测设备:可根据GB、IEC、UL等标准定做各类非标设备。
公司一贯坚持“质量第一,用户至上,优质服务,信守合同”的宗旨,凭借着高质量的产品,良好的信誉,优质的服务,产品畅销全国近三十多个省、市、自治区以及远销英国、美国、德国等国家。竭诚与国内外商家双赢合作,共同发展,共创辉煌!
“追求客户所追求”是我们永远的使命。我们会在与客户的交流当中了解客户的需求及客户使用产品的情况,在客户遇到问题时提供及时的帮助和支持,并从中认识到自己的不足,在完成使命的同时力求达到完美。我们积极向上,对客户,对合作伙伴都充满热情,对新技术充满好奇,勇于迎接挑战,并坚持不懈!
在现今瞬息万变的社会,已不再是“占山为王”的时代,我们并不想做井底之蛙,固步自封,我们追求的是与业界同仁一同随着科技浪潮不断的翻涌而使自己得到成长的历程,能够随时保持公司生命力的繁荣强大。
我们保证:“以诚为本”、“以质为先”、“贴近大众”、“服务用户”,以六个西格玛的品质打造一流的企业,愿我们的产品与服务,能带给您企业更大的便利与发展。
联系人: 王先生
手 机: 18823751031
Q Q: 123888085
邮 箱: 123888085@qq.com
网 址: http://www.yqybcj.com/









最有帮助的评价(0)
暂时还没有任何用户评论-